Web Analytics Made Easy - Statcounter
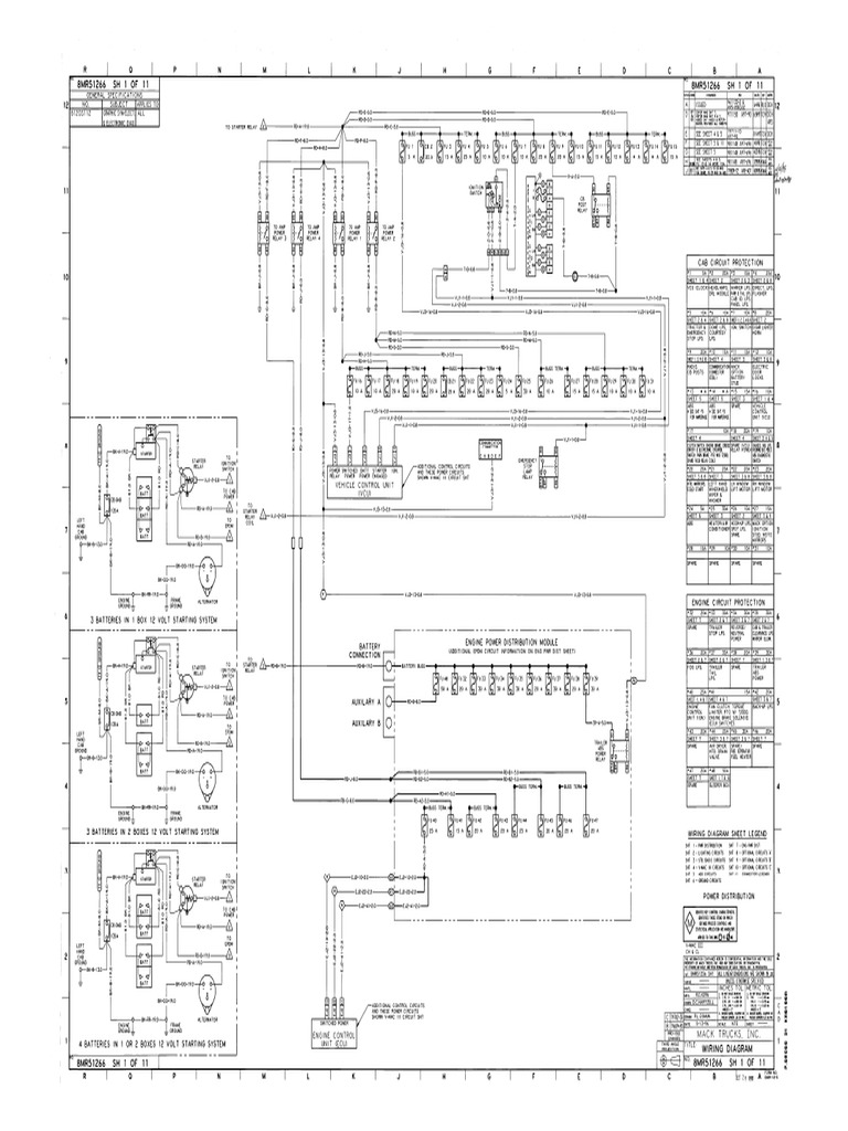
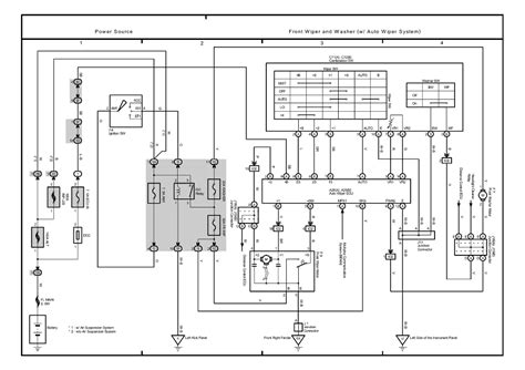
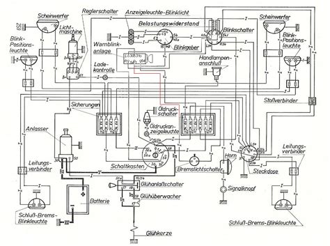
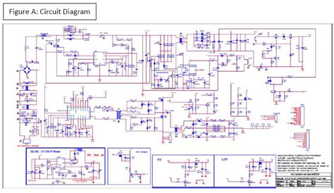
Micro USB Wiring Diagram: DIY Repair in Minutes!

Micro USB Wiring Diagram: DIY Repair in Minutes!

Micro USB Wiring Diagram: DIY Repair in Minutes! Wiring diagram for split micro-usb cable?